福斯i6s
福斯i6s ¶
1.产品介绍¶
FS- i6S是富斯沿袭经典的同时融入新元素的一大创举,i6S是一款10通道发射机,适用于多轴、穿越机、挖掘机等工程车模型,电容触摸屏极大的增强了用户体验,中英文两种固件满足了绝大多数模友的需求!
2.遥控器配置¶
1)发射机概览如下图所示。¶

2)发射机天线:FS-i6S 发射机采用内置铜管全向双天线。¶
3)摇杆 / 旋钮 / 开关 / 按键 :FS-i6S 拥有 2 组摇杆 、4 组开关 、2 组旋钮和 2 组按键。¶
• 摇杆 : 用于控制副翼,升降,油门和方向以及辅助通道。
• 开关 : 用于控制辅助通道或控制定时器。
• 旋钮 : 用于控制辅助通道。
• 按键 : 用于控制辅助通道或定时器。
4)状态指示灯:状态指示灯用于指示发射机的电源以及工作状态。¶
• 灭:发射机电源关闭。
• 蓝色常亮:发射机电源开启,处于正常工作。


***注:使用过程中,为保证信号质量,天线应与模型机身保持垂直。操控时,请调整天线角度,避免天线顶梢方向指向机体严禁紧握发射机天线,否则将会大大减弱无线电传播信号的质量和强度,导致遥控失灵模型失控。 不要拉扯接收机的天线,也不用将天线和舵机连接线绑在一起 ***
5)接收机跟发射机实物图概览如右图所示。¶
6)接收机天线: FS-iA6B 采用铜管全向双天线。¶
7)状态指示灯 :状态指示灯用于指示接收机的电源以及工作状态。¶
• 灭:接收机电源未连接。
• 红色常亮:接收机已连接电源,并正常工作。
• 快速闪烁:接收机处于对码状态。
• 慢速闪烁:配对的发射机未开机或信号已丢失。
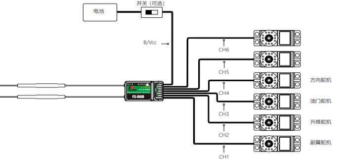
8)接口:接口用于连接接收机与模型的各个部件。¶
• PPM/CH1:连接 CH1 通道的舵机或输出 PPM 信号。
• CH2 ~ CH6:接口可以连接舵机、电源或其他部件。
• B/VCC:对码时用于连接对码线,正常操作时用于连接电源线,供电范围在 4.0-8.4V 之间。
• SERVO:用于连接 i-BUS 接收机扩展通道,可输出 i-BUS/S.BUS 信号。
• SENS:用于连接各传感器。
9)接收机规格(FS-iA6B)如下图所示¶
10)接收机与舵机安装:请按照以下方法来安装接收机与舵机。¶


注:福斯i6s遥控器主要用于仿真,其通道配置方法可参考前面乐迪AT9S Pro。